Belépés
Kiemelt ajánlat Márkák B2B Help Céges vásárlás Hírek, szakmai cikkek Legális autó LED kereső Autóizzó kereső Összehasonlítás LED-et mindenkinek
Belépés
Szűrés
Összehasonlítás
Kedvencek
Termék kategóriák
arukereso stars
google stars

Wago REL-T 24 VDC (857-604)

27 698 Ft
Egyedi rendelésre

A terméket csak adószámos jogi személyek vásárolhatják meg egyedi rendelésre. Amennyiben képviselt vállalkozásod részére szeretnéd megvásárolni a terméket még kedvezőbb áron, kattints ide!

👀Nézd meg ezeket a kategóriákat is !
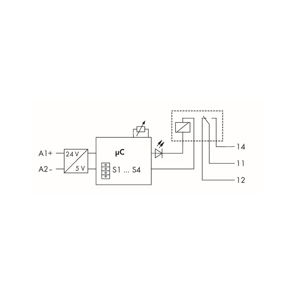
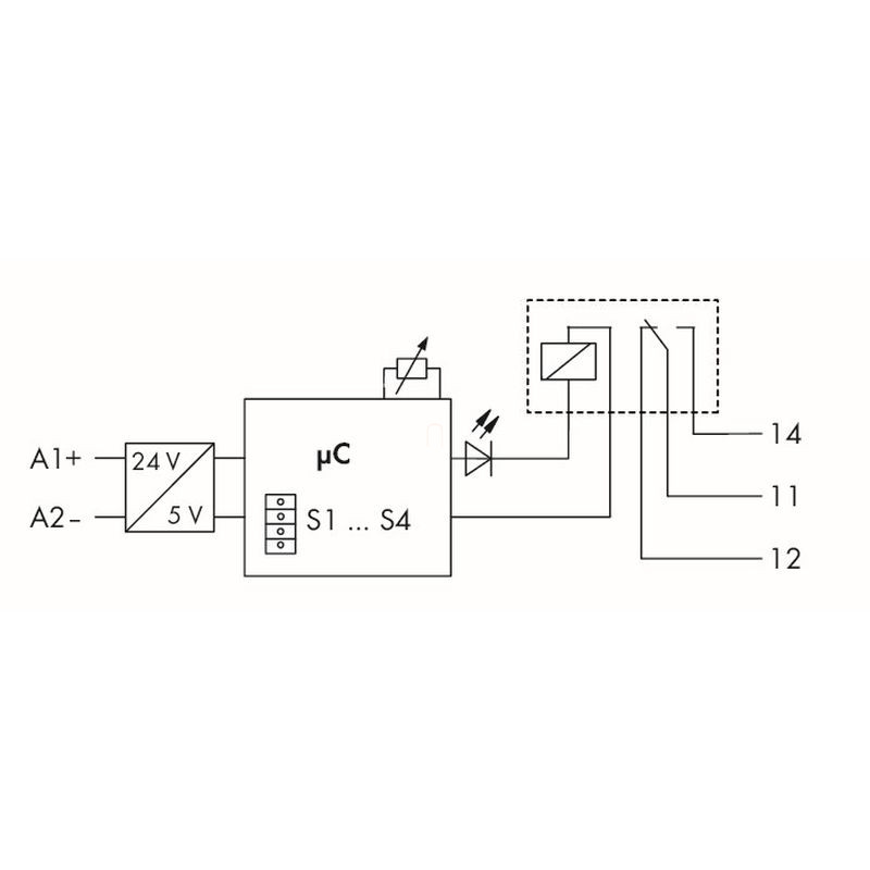
WAGO 857-604 REL-T24VDC A szomszédos eszközök ugyanazon típusba, sorozatba tartoznak és a rögzítő sínre ugyanolyan irányban vannak egymás mellé felszerelve. Az eltérő típusú eszközökre egy végbakot (249-116) kell helyezni annak érdekében, hogy megfeleljen a megerősített szigeteléssel kapcsolatos előírásoknak.
Termék adatok
Kivitel
Push-in CAGE CLAMP ® csatlakozás, sárga LED állapotjelző
Védettség
IP20
Gyártó neve
WAGO HUNGÁRIA Kft.
EAN
4050821565673
Gyártó címe
Magyarország, 2040 Budaörs, Office Park, Szabadság út 117. C. ép. 3. emelet
Gyártó elérhetősége
info.hu@wago.com
Gyártó/Márka
Wago
Tömeg
24,88 g/db
Cikkszám
4050821565673
Vélemények (0)
Vásárlói vélemények
termék értékelése
Hasonló ajánlataink

Csatlakozz fantasztikus közösségünkhöz, és értesülj elsőként különleges ajánlatainkról !

Megnézem a terméket