Belépés
Kiemelt ajánlat Márkák B2B Autóizzó kereső Help Céges vásárlás Legális autó LED kereső Összehasonlítás LED-et mindenkinek
Belépés
Szűrés
Összehasonlítás
Kedvencek
Termék kategóriák
arukereso stars
google stars

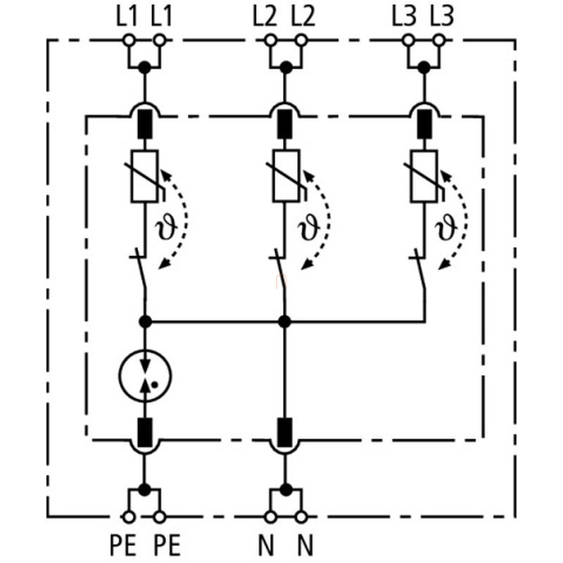
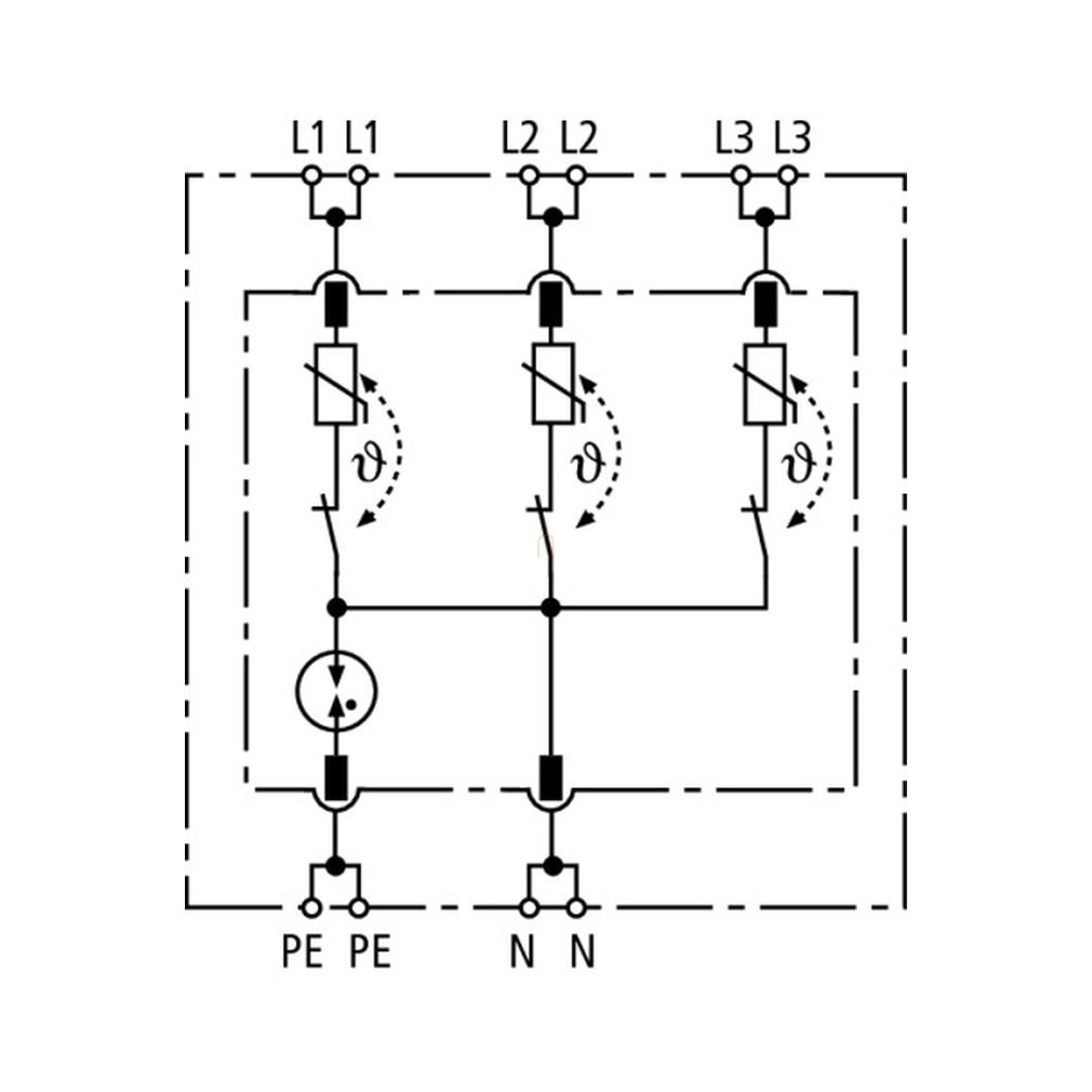
DEHNrail DR M 4P 255 túlfeszültség levezető 953400

56 147 Ft
2 db azonnal, raktáron!
2 db azonnal szállítható, nagyobb mennyiség egyedi rendelésre. Rendeld meg -n belül és átadjuk a futárnak!
Cégre vennéd?
👀Nézd meg ezeket a kategóriákat is !
DEHNrail DR M 4P 255 túlfeszültség levezető 953400
Termék adatok
Pólusszám
4
Gyártó neve
DEHN SE
EAN
4013364115767
Gyártó címe
Hans-Dehn-Str. 1 92318 Neumarkt Germany
Gyártó elérhetősége
info@dehn.de
Gyártó
DEHN
Kivitel
4013364115767
Védettség
IP20
Gyártó/Márka
DEHN
Mélység
0 mm
Tömeg
168,2 g/db
Cikkszám
4013364115767
Vélemények (0)
Vásárlói vélemények
termék értékelése
Hasonló ajánlataink

Csatlakozz fantasztikus közösségünkhöz, és értesülj elsőként különleges ajánlatainkról !

Megnézem a terméket