Belépés
Kiemelt ajánlat Márkák B2B Help Céges vásárlás Hírek, szakmai cikkek Legális autó LED kereső Autóizzó kereső Összehasonlítás LED-et mindenkinek
Belépés
Szűrés
Összehasonlítás
Kedvencek
Termék kategóriák
arukereso stars
google stars

Wago 8 csatornás analóg bemeneti modul, 0/4–20 mA, abszolút mérés (750-496)

167 339 Ft
Egyedi rendelésre

A terméket csak adószámos jogi személyek vásárolhatják meg egyedi rendelésre. Amennyiben képviselt vállalkozásod részére szeretnéd megvásárolni a terméket még kedvezőbb áron, kattints ide!

👀Nézd meg ezeket a kategóriákat is !
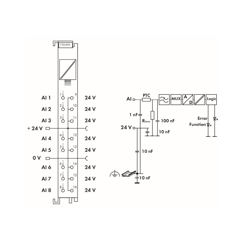
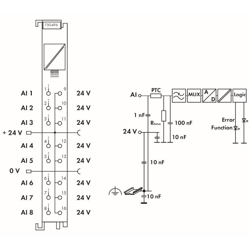
8 csatornás analóg bemenet, 0/4 ... 20 mA, Abszolút mérő 750-496 WAGO
\nEz az analóg bemeneti modul a szabványos 0–20 mA-es, 4–20 mA-es és 3,6–21 mA-es (Namur NE43) jeleket dolgozza fel.
\nA modul 24 V-os tápellátást biztosít a kétvezetékes szenzorok közvetlen csatlakoztatásához.
\nA bemeneti jel elektromosan leválasztott, és 12 bites pontosággal továbbítódik.
\nA vezetékszakadást, a rövidzárlatot vagy a mérési tartomány túllépését/alulteljesítését piros LED jelzi.
\nA használaton kívüli csatornákat ki lehet kapcsolni.
\nA modult WAGO-I/O-CHECK vagy GSD fájlokkal lehet konfigurálni.
\nHihetetlenül kompakt kivitelezés és kevés mérési hiba jellemzi.
Termék adatok
Gyártó neve
WAGO HUNGÁRIA Kft.
EAN
4055143350365
Gyártó címe
Magyarország, 2040 Budaörs, Office Park, Szabadság út 117. C. ép. 3. emelet
Gyártó elérhetősége
info.hu@wago.com
Gyártó/Márka
Wago
Tömeg
62 g/db
Cikkszám
4055143350365
Vélemények (0)
Vásárlói vélemények
termék értékelése
Hasonló ajánlataink

Csatlakozz fantasztikus közösségünkhöz, és értesülj elsőként különleges ajánlatainkról !

Megnézem a terméket