Belépés
Márkáink
Autóizzó, Autó LED
Villamosság
Világítás
Autófelszerelés
Szerszám
Otthon
Szabadidő
Kiemelt ajánlat
Márkák
B2B
Autóizzó kereső
Help
Céges vásárlás
Legális autó LED kereső
Összehasonlítás
LED-et mindenkinek
Belépés
Szűrés
Összehasonlítás
0
Kedvencek
Termék kategóriák
Márkáink
Osram
Ledvance
Eglo
Globo Lighting
Rábalux
deLux
Stilo
Klausen
Schneider Electric
Legrand
Siemens
Eaton
GAO
Kanlux
Wago
Baks
Basor
Budvill
Cellpack
Celo
Csatári-Plast
Dehn
Efapel
Elko-Ep
Finder
Ganz KK
Gewiss
Haupa
Hensel
Jokari
Kaiser Elektro
Kiwa
Kopos
LED POL
Mean Well
Milwaukee
Obo
Philips
Phoenix Contact
Raychem
Rittal
Runpotec
SEZ
Simotrade
Skybox
Socomec
Tracon
Univolt
Weidmüller
Autóizzó, Autó LED
LED
Fényszóró izzó
Jelzőizzó
Műszerfal világítás
Xenon lámpa
Nappali menetfény, DRL
24 Voltos izzó
Motorkerékpár izzó
LED kiegészítő lámpa
LED kiegészítő fényszóró, munkalámpa
Komplett fényszóró lámpa
LED irányjelző sáv tükörbe
Tartalék izzókészlet
LEDambient Tuning Lights
Villamosság
Kábel és vezeték
Vezeték öszekötő
Kapcsoló, konnektor
Fogyasztásmérő szekrény
Kismegszakító
Gégecső
Védőcső
Automatizálás
Energiaelosztás
Installáció technika
Hosszabbító, elosztó
Kapcsolóberendezés és szekrény
Villamos szekrény és elosztó doboz
Kábelcsatorna
Villámvédelem
Szerelési segédanyagok
Elszívó ventilátor
Kaputelefon, csengő
Napelemes rendszer
Sorkapocs
Világítás
Fényforrás
Lakásvilágítás
Kültéri lámpa
Okos világítás
Fertőtlenítés
Garázs és műhelyvilágítás
Tükrös rácsos lámpatest
Út és közvilágítás
Csarnokvilágítás
Káprázás csökkentett irodai világítás
Vészvilágítás
Autófelszerelés
USB szivargyújtó töltő
Autóápolás, tisztítás
Akkumulátor töltő
Autó indító kábel
Autó indító akkumulátor
Autó kompresszor, gumitömítő
Ablaktörlő
Inverter
Autós fedélzeti kamera
Elektromos autó töltő és kábel
További autós kiegészítő
Szerszám
Szerelőlámpa
Szerszámtárolás
Kéziszerszám
Munkavédelmi eszköz
Barkács készlet
Szerszám készlet
Szerszám kiegészítő
Mérés
Szerelési segédeszköz
Spray
Ragasztószalag
Ragasztó
Létra
Szigetelés, tömítés
Összes szerszám
Otthon
Állattartás
Baba-mama
Barkács és szerelés
Bútor
Egészség
Egyéb háztartási eszköz
Elem, akkumulátor
Energiatakarékosság otthon
Fürdőszobai kiegészítő
Fűtés, hűtés, szellőzés
Hőmérő
Időjárás állomás
Kártevők elleni védelem
Konyhai előkészítés
Konyhai eszköz
Lakás dekoráció
Otthoni biztonság
Otthoni hangtechnika
Számítástechnikai kiegészítő
Szépségápolás
Takarítóeszköz
TV kiegészítő
USB hálózati töltő
Valentin nap
Halloween
Karácsony
Szabadidő
Kert
Kerékpár
Sport
Játék
Kemping, túra
Kiemelt ajánlat
Márkák
B2B
Autóizzó kereső
Help
Céges vásárlás
Márkáink
Obo
Gyártó neve: OBO Bettermann Holding GmbH & Co. KG
Egyedi rendelésre
1 / 2 fotó
Márkáink
Obo
OBO KS-S EN Felirati tábla tűzgátló tömítéshez 7205429
1 743
Ft
Egyedi rendelésre
Kosárba
rakom
Egyedi rendelésre 7-14 munkanap alatt szállítható.
Küldjünk egy emailt, ha olcsóbb lesz a termék?
Kattints ide az árfigyelő bekapcsolásához!
Cégre vennéd?
Kérdésed van?
👀Nézd meg ezeket a kategóriákat is !
Obo
Összes szerszám
Kedvenc
Összehasonlít
Cégre vennéd?
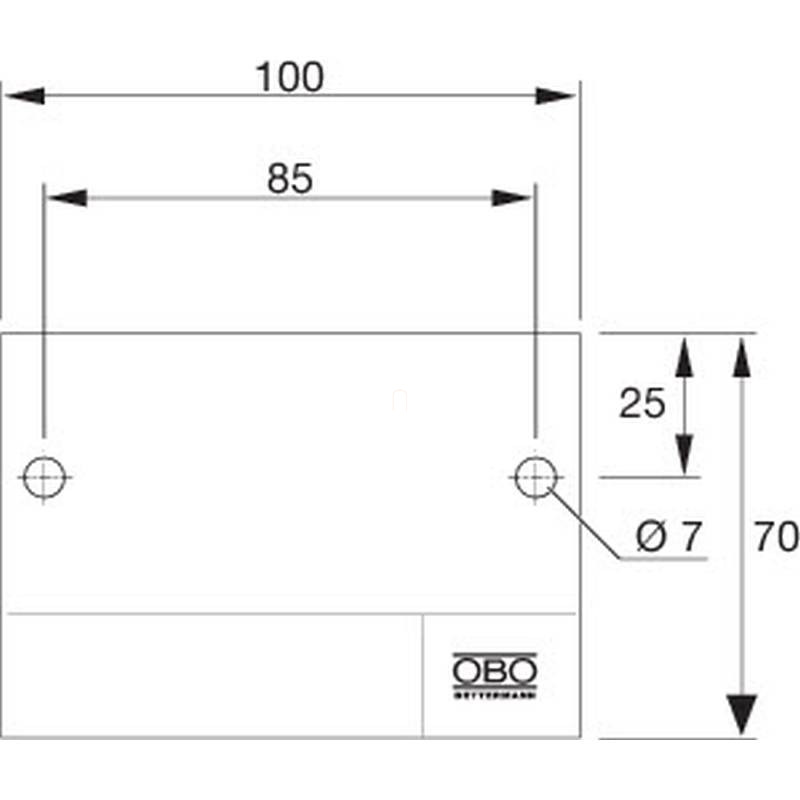
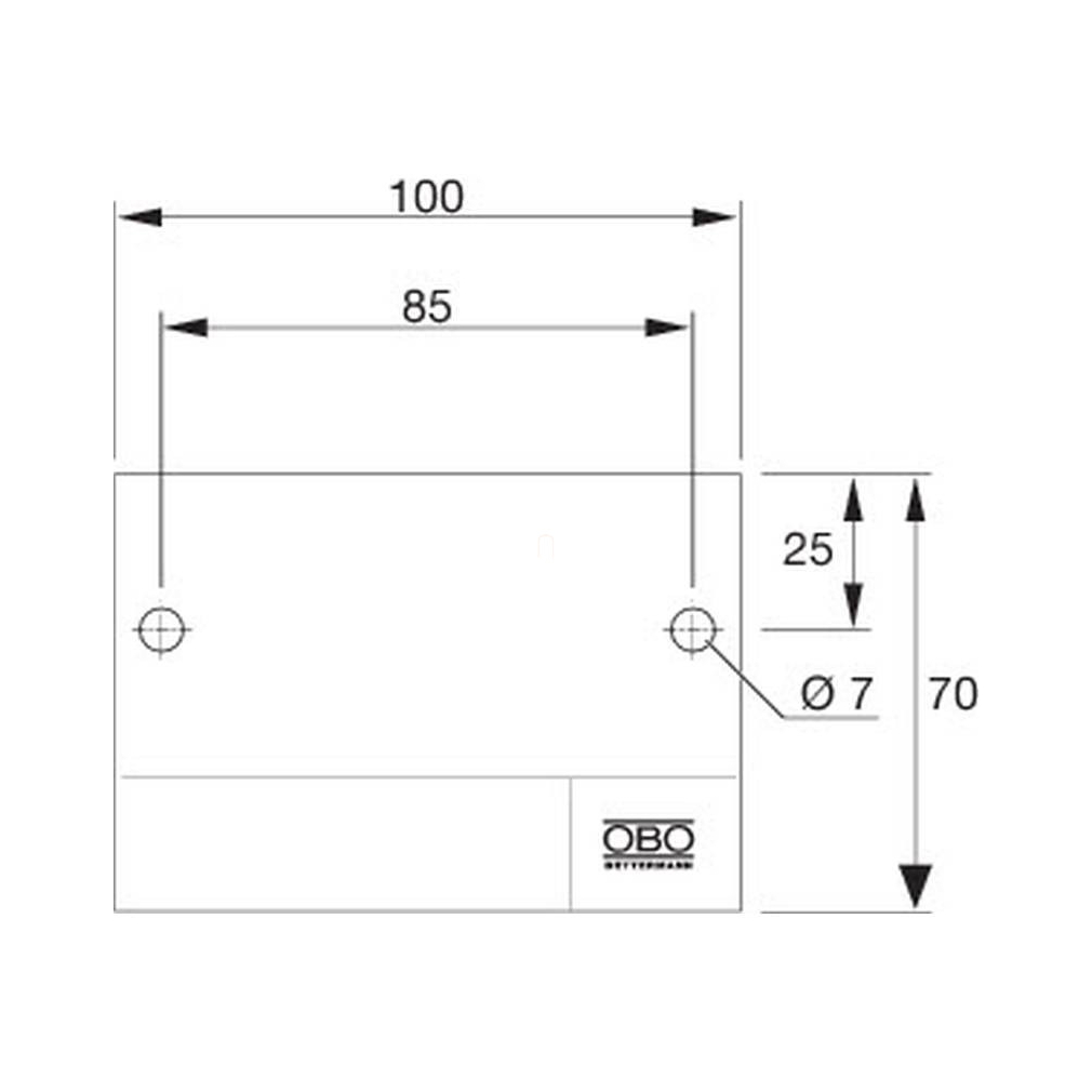
OBO KS-S EN Felirati tábla tűzgátló tömítéshez 7205429
\nFelirati tábla tűzgátló tömítéshez 100x70mm, PS
Termék adatok
Gyártó neve
OBO Bettermann Holding GmbH & Co. KG
EAN
4012195728016
Gyártó címe
Hüingser Ring 52, 58710 Menden
Gyártó elérhetősége
info@obo.de
Gyártó/Márka
OBO
Tömeg
24 g/db
Cikkszám
4012195728016
Vélemények
(0)
Vásárlói vélemények
termék értékelése
Kérünk, mondd el a véleményed!
Hasonló ajánlataink
Kosárba
Csatlakozz fantasztikus közösségünkhöz, és értesülj elsőként különleges ajánlatainkról !
Feliratkozás
Megnézem a terméket
Fogadd el a sütinket :-)
Kérünk, engedélyezd a Lumenet funkcióinak (egyedi kedvezmény ajánló, okoskereső, termékajánló, automatikus kitöltés, stb.) használatához szükséges sütiket! A böngészést segítő funkciókról az
Adatkezelési tájékoztatóban
találsz információt!
Nyugi, vigyázunk adataidra :-) Nagyon köszönjük!
Engedélyezem
Nem engedélyezem
Fogadd el a sütinket :-)